Нужны опытные сварщики (Киев)

№55913
Тендер закрыт
Нужны опытные сварщики (Киев)

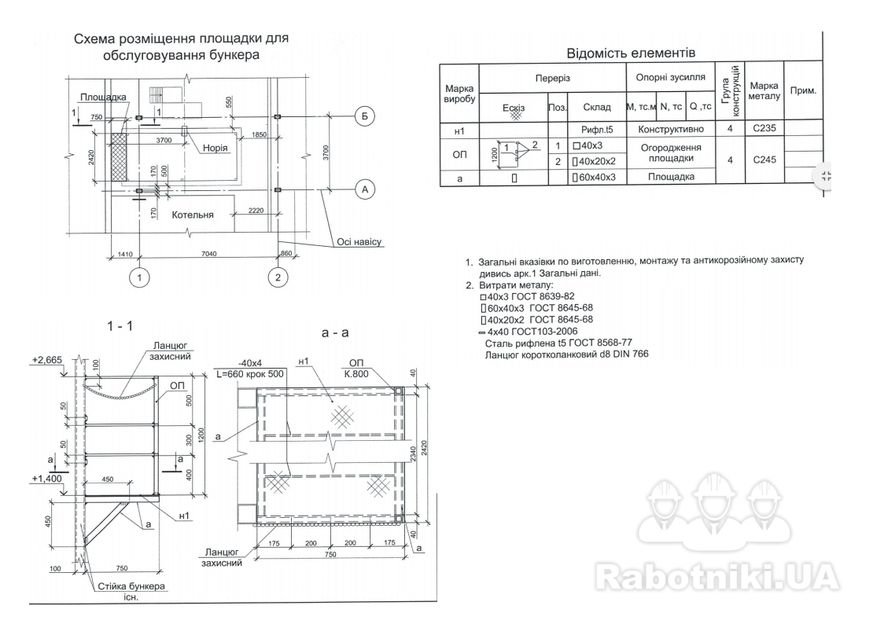
Нужны опытные сварщики (Киев) проект сварочных работ. Дополнительные работы до проекта. 1. Вырезания дверного проема 2. Вырезания проема под рампу Интересует цена на работу. Проект вкладываю. Нужны сварщики с удостоверением и разрешением на высотные работы.

Бюджет до 10 000 грн
Можно начать 03.04.2018

Сергей
Зарегистрирован 9 лет назад
Был на сайте 4 года назад
Киев (Киевская область)
Предложения по тендеру (1)
Бригада ФОП Позняк А. О.(competent)
На сайте уже 9 лет
Был 19 дней назад

Добрый день Сергей. Я Вам уже просчитывал эти строительные работы. (этот чертеж выкладывался зимой. Ничего не изменилось. К работе можем приступать. Если Вам это интересно - звоните.

7 лет назад
Служба поддержки