Сантехнічні роботи по монтажу обладнання бойлерної з теплообмінником (Белая Церковь)

№232571
Тендер открытТендер открыт для предложений
Сантехнічні роботи по монтажу обладнання бойлерної з теплообмінником (Белая Церковь)
Авто-перевод Показать оригинал

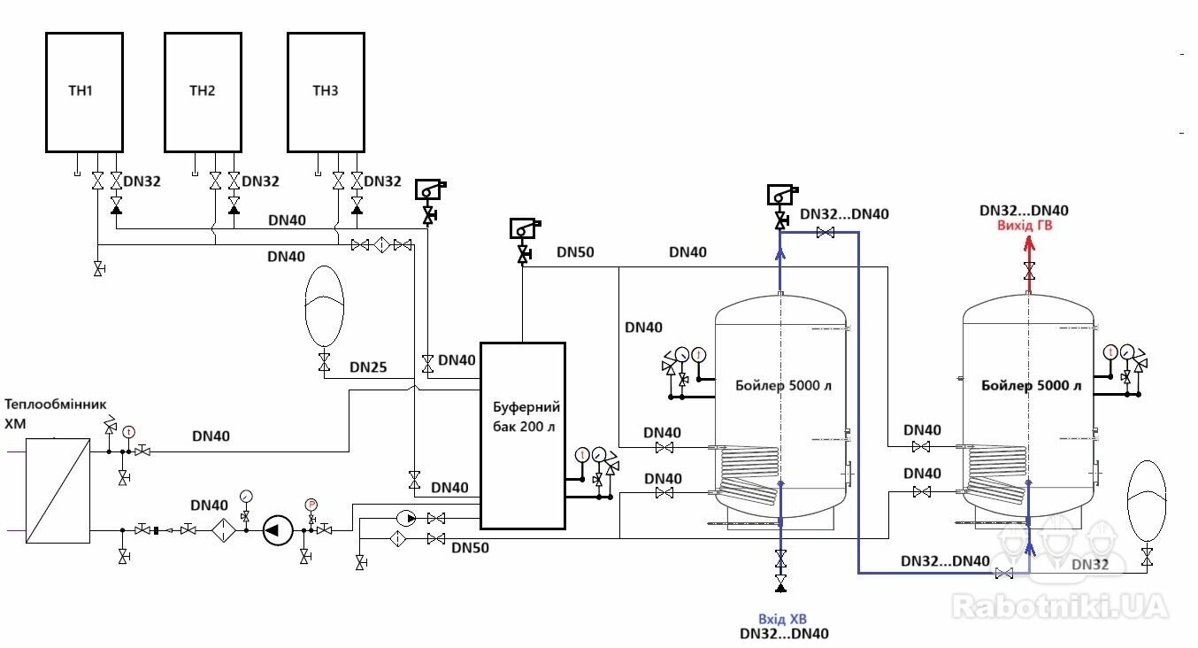
Схеми та ТЗ в додатках.
Термін виконання робіт грудень 2025. (терміново).

Бюджет свыше 500 000 грн
Владелец
Можно начать 08.12.2025, Нужно закончить до 31.12.2025
Отредактировано 04.12.2025, 10:49:43

Виктория
Зарегистрирован 7 месяцев назад
Был на сайте час назад
Белая Церковь (Киевская область)
Предложения по тендеру (1)
Бригада Строй сити
На сайте уже 8 лет
Был 13 минут назад
Рейтинг: 30 из 80

Добрый день.

Актуальна ли робота по обвязке бойлерной?

2 часа назад
Добавить предложение
Служба поддержки