Земельные бетонные работы (Одесса)

№54868
Тендер закрыт
Земельные бетонные работы (Одесса)

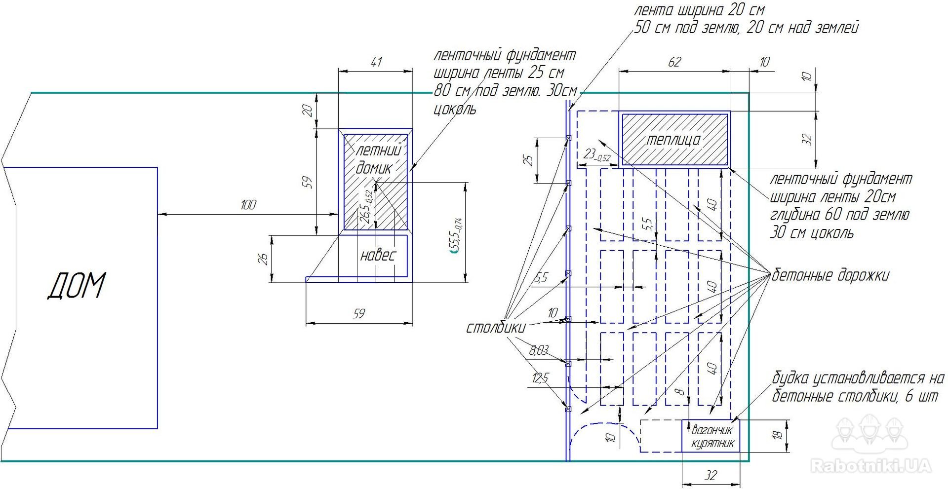
Фундаменты под летний домик, под теплицу, бетонные дорожки в огороде, земельные бетонные работы, установка столбов под забор 60 п.м

Бюджет до 25 000 грн
Можно начать 02.04.2018

Александр
Зарегистрирован 11 лет назад
Был на сайте 5 лет назад
Одесса (Одесская область)
Предложения по тендеру (16)
Бригада Sadro
На сайте уже 8 лет
Был 10 часов назад
Рейтинг: 45 из 80

Здравствуйте , мы бригада опытных строителей занимаемся работами под ключ , по всем вопросам (073) xxx xxxx Александр

8 лет назад
Бригада Лев строй
На сайте уже 8 лет
Был 5 лет назад
Рейтинг: 23 из 80

Мы готовы к сотрудничеству

8 лет назад
Бригада СпецСтройПром
На сайте уже 8 лет
Был 3 года назад
Рейтинг: 26 из 80
Стоимость работ: 40000

Здравствуйте,у нас укомплектованная бригада специалистов,работаем по доступным ценам

8 лет назад
Бригада СпецСтройПром
На сайте уже 8 лет
Был 3 года назад
Рейтинг: 26 из 80
Стоимость работ: 40000

Здравствуйте,у нас укомплектованная бригада специалистов,работаем по доступным ценам

8 лет назад
Бригада Разнорабочие "Гера"
На сайте уже 8 лет
Был 6 лет назад
Рейтинг: 25 из 80

Добры день! Выполню ваши работу подсобными набочими. 350 грн раб день.

8 лет назад
Мастер Женя Кравець
На сайте уже 8 лет
Был 7 лет назад
Рейтинг: 0 из 80

добрий вечер можем виполнить ваш обйом робіт не дорого и качествино если интересно обращайтесь опсудим або на обекті або в телефоном режимі (068) xxx xxxx

8 лет назад
Бригада Руслан
На сайте уже 8 лет
Был 4 года назад
8 лет назад
Бригада 21stoneage
На сайте уже 10 лет
Был 4 года назад
Рейтинг: 33 из 80

Добрый день! Готовы к сотрудничеству. С уважением, Андрей

8 лет назад
Мастер Андрей Першин
На сайте уже 8 лет
Был 6 лет назад
Рейтинг: 25 из 80

Звоните

8 лет назад
Мастер Александр Гостинник
На сайте уже 9 лет
Был 2 года назад
Рейтинг: 25 из 80

Добрый день,а сразмерами как-то можно?

8 лет назад
Бригада куша
На сайте уже 8 лет
Был 7 лет назад
Рейтинг: 0 из 80

email

8 лет назад
Бригада куша
На сайте уже 8 лет
Был 7 лет назад
Рейтинг: 0 из 80

email

8 лет назад
Компания ЧП АРИФ
На сайте уже 9 лет
Был 6 лет назад
Рейтинг: 25 из 80
8 лет назад
Бригада Гильдия Каменьщиков и Бетонщиков
На сайте уже 9 лет
Был 4 года назад
Рейтинг: 27 из 80

Бетон 1000 грн\м.куб земельные работы включены

8 лет назад
Компания ДСК Благоустрий
На сайте уже 9 лет
Был год назад

Доброе время суток !!! Наша компания выполняет все виды благоустройства, земляные, бетонные работы. За детальной информацией звоните по телефону 094-886-08-78

8 лет назад
Бригада П.В.А.
На сайте уже 8 лет
Был 7 лет назад
8 лет назад
Служба поддержки