Будівництво стрічкового фундаменту приватного будинку (Киев)

№237194
Тендер закрыт
Будівництво стрічкового фундаменту приватного будинку (Киев)
Авто-перевод Показать оригинал

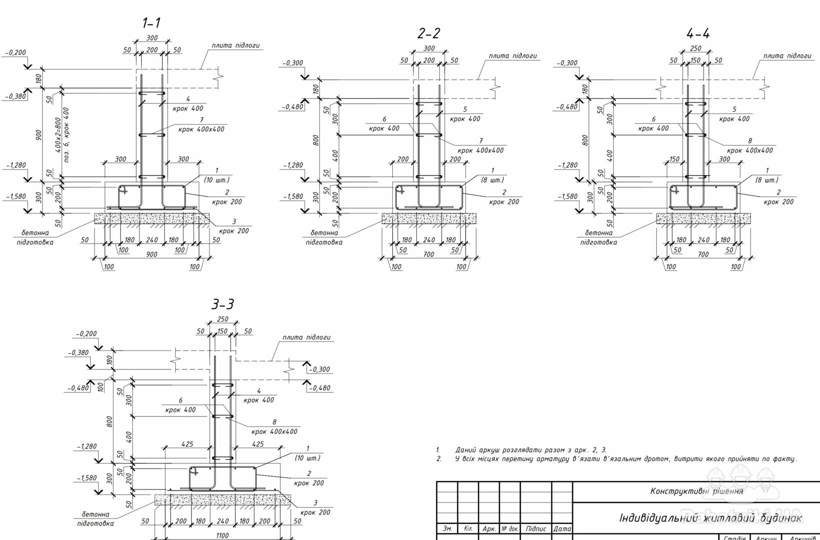
Київ, Осокорки. 87 садова. Побрібен стрічковий фундамент під ключ для будинку згідно проекту, ~11*11м. Файли додаються. Є повний проект.

Замовлення і прийомка матеріалів на вас.

Вартість тендера приблизна.

Також розглядаю варіант комплексного будівництва всієї коробки з вашою бригадою.

На ділянці є свердловина і електроенергія.

Високі грунтові води

Бюджет до 700 000 грн
Владелец
Можно начать 19.03.2026
Отредактировано 19.03.2026, 00:12:49

Костянтин
Зарегистрирован месяц назад
Был на сайте 28 дней назад
Киев (Киевская область)
Предложения по тендеру (16)
Мастер Наті Наті
На сайте уже 12 лет
Был 10 минут назад
Рейтинг: 49 из 80
Авто-перевод Показать оригинал

Бажаю чудового дня!

Пропоную вам свої комплексні послуги:

+ Розробку цікавого Дизайну Фасаду, Будівель (моделювання будівлі, тераси, прибудови, навісу/накриття, різні варіанти дизайну фасадів, кольори, матеріали, освітлення (нічна/вечірня версії), 3д візуалізація, 3д відео-ролик, 360 град. панорами і т.д.)

https://gnadesigngroup.org.ua/ua/budivli.html

+ Дизайн Інтер єра (розробка цікавих рішень, 3д візуалізація, 3д планування/зонування з розміщенням меблів, план електрики, підбір кольорів, меблів, світла, декору, креатива і т.д), 3д тур по приміщенням- 360 градусів панорами.

https://gnadesigngroup.org.ua/ua/interier.html

+ розробку зонування/планування благоустрою території навколо, Ландшафтного дизайна, вхідної/в їзної групи, різноманітних зон відпочинку, підбір рослин та тротуарної плитки/доріжок, моделювання індивідуальних локацій, 3д візуалізацію цього, 2д плани, освітлення (нічна версія), 3д відео-ролик, 360 градусів панорами.

https://gnadesigngroup.org.ua/ua/terytoriia.html

* При замовленні однієї послуги буде знижка на наступну.

Люблю Творити Індивідуальні, Оригінальні, Креативні рішення. Можу розробити Цікавий дизайн для вас і для тих, з ким ви співпрацюєте, знайомих. Дизайн як для будинків та квартир так і для інших споруд/комерції, бізнесу, приміщень, офісів, закладів, кафе/ресторанів і т.д.

Споруди/Дизайн Фасаду, Ландшафт, Інтер єри, цікаві Інвест. проекти, оригінальні рішення, направлення діяльності, креативні ідеї, арт-об єкти, відео-ролики, благоустрій, творчість, інфо, новини і т.д. див. на моєму сайті:

https://GNAdesigngroup.org.ua

Зв язок: (096) xxx xxxx

месяц назад
Компания RBKEY
На сайте уже 3 года
Был 8 часов назад
месяц назад
Мастер Сергій Пр
На сайте уже 3 года
Был 7 дней назад
Рейтинг: 36 из 80
месяц назад
Бригада stroim--vse
На сайте уже 8 лет
Был 49 минут назад
Рейтинг: 49 из 80
месяц назад
Компания TMM group ua
На сайте уже 10 лет
Был 9 часов назад
Рейтинг: 47 из 80
месяц назад
Компания ООО,,Магнестикум,,
На сайте уже 11 лет
Был день назад

Доброго времени суток!
С большим желанием хотим по сотрудничать в постройке дома.
Обязуемся построить в срок, гарантия, договор. Имеем весь необходимый инструмент, помощь в подборе и доставке материалов с учетом наших скидок, инженерный контроль. Можем показать готовые объекты. Работаем по средним ценам сайта (все работники) некоторые цены можно обсудить в меньшую сторону, адекватные рабочие. Готовы встретится в любое удобное для Вас время.
С уважением Вадим.

месяц назад
Компания ТОВ ГефестЮА
На сайте уже 3 года
Был 5 часов назад
месяц назад
Бригада СТРОИМ ВСЕ!!!
На сайте уже 5 лет
Был 3 часа назад
Рейтинг: 33 из 80
Авто-перевод Показать оригинал

Доброго дня ,

Готові виконати бригада без шкідливих звичок виконуєм качествіно маєм весь свій інструмент

(098) xxx xxxx

месяц назад
Бригада ДомСтройБуд
На сайте уже 8 лет
Был 5 часов назад
Рейтинг: 43 из 80
Авто-перевод Показать оригинал

Виконаємо ваш обсяг робіт.

Будуємо під ключ

месяц назад
Бригада Рівненські
На сайте уже 5 лет
Был 4 часа назад
Рейтинг: 46 из 80

Звертайтесь;(068) xxx xxxx

месяц назад
Бригада будмастер 9
На сайте уже 8 лет
Был 2 дня назад
Рейтинг: 37 из 80
месяц назад
Мастер Александр Строков
На сайте уже 10 лет
Был месяц назад
Рейтинг: 30 из 80
Предоплата: Без предоплаты
Количество человек: 4

добрый день выполняем весь комплекс строительных работ находимся на осокорках возможность посмотреть обьекты которые мы строили по месту

Отредактировано 19.03.2026, 17:05:08
месяц назад
Компания RICH COMPANY
На сайте уже 12 лет
Был 3 часа назад
Рейтинг: 40 из 80
Авто-перевод Показать оригинал

Доброго дня.

Надішліть всю інформацію в месенджер

0-9-9-7-6-9-9-5-7-0 Дмитро

Скачать файлы:
Отредактировано 19.03.2026, 20:05:56
месяц назад
Мастер Юрий Лут
На сайте уже 2 года
Был 4 часа назад
Рейтинг: 31 из 80
Стоимость работ: 100
Количество человек: 4

Вiтаю!

Не в тiм матерiалi економiя.(поясню рiзницю по тел.)

Пропонуемо повний комплект мат. на коробку вiд А до Я

Коробка з ГБ-бетона буде дорожче та з довгобудом з тим армуваням, армо-пояси, утепленям та iнше.(по вагi; майже однаково, а з урахуваням армувань,то з ГБ буде бiльше тонн)

У Heluz не потрiбне -армуваня, армопояси, опалубка, утепленя стiн та iншi потрiйнi роботи з переплатою, як це треба до ГБ, або цегли/2Нф, того ж Кератерма з довгобудом.(звонiть, все поясню покроково,... (не наступiть на тi граблi)

Тут ваша економiя i якiсть буд. в комплексi вiд А до Я!

Пропонуемо кращiй i якiсний блок HELUZ FAMILY (утепленя не потрiбне) Монтаж -лего без зупинки, усi елементи продуманi з утепленям, коробка будуеться в двiчи швидше i економнiше в порiвнянi з ГБ-бетон, або цеглою/2Нф (док.-фото по рiзницi коеф.тепло.-R)

Кладка -лего ... https://www.youtube.com/watch?v=0snUXRr5FBU

Перекриття -лего ... https://www.youtube.com/watch?v=Dwi7H16KybQ

(НЕ плутати з аналогами кер-бл. iнших виробникiв, у них нема такого комплекта i треба утепляти)

Тут все по мат. - покроково -фото(внизу) - https://www.rabotniki.ua/uk/tender/stini-keramoblok-tsegla-209495

Тут по сходам -метал,дерево,скло(внизу) - https://www.rabotniki.ua/uk/tender/vigotovlennya-ta-montazh-shodiv-214475

Якi мат. в цiнi блока Heluz - теплий р-н пiд 1-й ряд, клей на всi блоки, утеплювач на перемички, вiкон-блок з утепленям, перемичка до-125см,, утеплювач на армопояс з тепл. р-н (бiльше по тел.)

-блок перегородки(100,115,140,175,200мм). у комплектi з клей, перемичка, теплий р-н., анкера.

- димоход -комплект (дешевше Шиделя)

Керамична черепиця (NEXE) 7-ми видiв, 5-ти кольорiв

Скачать файлы:
Отредактировано 19.03.2026, 20:09:52
месяц назад
Мастер Сергій Будуємо
На сайте уже год
Был 15 часов назад
Рейтинг: 29 из 80
Авто-перевод Показать оригинал

Доброго вечора! Готові виконати комплекс.

(096) xxx xxxx Сергій.

месяц назад
Компания ТОВ "АВ-ВМ Груп"
На сайте уже 2 месяца
Был 5 дней назад
месяц назад
Служба поддержки